法蘭伸縮蝶閥
一、法蘭伸縮蝶閥 概述
DS341X伸縮蝶閥具有自動補償管道熱脹冷縮方便裝卸的功能,適用于溫度在425℃以下,公稱壓力在1.6MPa以下的石油,化工、電力、造紙、給排水和市政建設等工業管道上作調節流量和載斷流體的最佳裝置。我公司生產的DS341X伸縮蝶閥的主要特點:1、結構獨特,設計靈活,重量輕,省力,啟閉迅速。2、伸縮蝶閥不僅能補償管道溫差所產生的熱脹冷縮的功能,還能為維修閥門安裝更換提供方便。3、密封部位可調節更換,密封性能可靠。制造標準:JB/T8527-97、GB/T 12238-89,法蘭標準:GB9113-2000、GB/T 17241. 6-1998,檢驗標準:GB/T 13927-92。
 |
 |
法蘭伸縮蝶閥 |
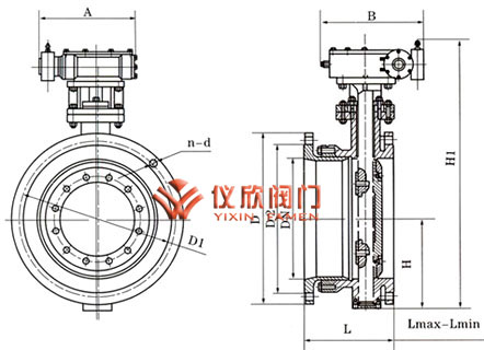
法蘭伸縮蝶閥尺寸圖 |
二、法蘭伸縮蝶閥 主要技術參數
公稱通徑DN (mm) |
50~2000 |
50~1600 |
公稱壓力 PN(MPa) |
0.6 |
1.0 |
1.6 |
密封試驗(MPa) |
0.66 |
1.1 |
1.76 |
強度試驗(MPa) |
0.9 |
1.5 |
2.4 |
適用溫度 |
軟密封 |
X:-40℃~90℃;Xf:-20℃~200℃ |
硬密封 |
炭鋼:-29℃~425℃? 不銹鋼:-40℃~650℃ |
適用介質 |
水、空氣、天然氣、油品及弱腐蝕性流體 |
泄漏率 |
符合GB/T 13927-92標準 |
驅動方式 |
蝸輪傳動、電動、氣動、液動 |
三、法蘭伸縮蝶閥 主要零部件材料
零件名稱 |
材料 |
?閥體 |
WCB 不銹鋼 QT 450-10 |
蝶板 |
WCB 不銹鋼 QT 450-10 |
閥軸 |
2Cr13不銹鋼 |
密封圈 |
橡膠 |
填料 |
柔性石墨 |
四、法蘭伸縮蝶閥 主要外形連接尺寸
規格 |
D |
D1 |
D2 |
Lmax |
Lmin |
H1 |
H2 |
N-Фd |
100 |
220 |
180 |
156 |
216 |
174 |
110 |
170 |
8-Ф18 |
125 |
250 |
210 |
184 |
232 |
186 |
123 |
182 |
8-Ф18 |
150 |
285 |
240 |
211 |
239 |
194 |
140 |
210 |
8-Ф22 |
200 |
340 |
295 |
266 |
264 |
214 |
170 |
238 |
8-Ф22 |
250 |
395 |
350 |
319 |
296 |
235 |
195 |
270 |
12-Ф22 |
300 |
445 |
400 |
370 |
300 |
250 |
222 |
300 |
12-Ф22 |
350 |
505 |
460 |
429 |
320 |
270 |
252 |
330 |
16-Ф22 |
400 |
565 |
515 |
480 |
332 |
282 |
285 |
368 |
16-Ф26 |
450 |
615 |
565 |
530 |
355 |
305 |
310 |
402 |
20-Ф26 |
500 |
670 |
620 |
582 |
365 |
315 |
337 |
438 |
20-Ф30 |
600 |
780 |
725 |
682 |
420 |
340 |
393 |
490 |
24-Ф30 |
700 |
895 |
840 |
794 |
446 |
396 |
450 |
558 |
24-Ф33 |
800 |
1015 |
950 |
901 |
476 |
426 |
515 |
625 |
28-Ф33 |
900 |
1115 |
1050 |
1001 |
506 |
456 |
560 |
685 |
28-Ф33 |
1000 |
1230 |
1160 |
1112 |
516 |
466 |
610 |
750 |
28-Ф36 |
1200 |
1455 |
1380 |
1328 |
560 |
510 |
725 |
880 |
32-Ф39 |
1400 |
1675 |
1590 |
1530 |
590 |
540 |
840 |
987 |
36-Ф42 |
1600 |
1915 |
1820 |
1750 |
630 |
585 |
960 |
1158 |
40-Ф48 |
1800 |
2115 |
2020 |
1950 |
680 |
630 |
1060 |
1258 |
44-Ф48 |
2000 |
2325 |
2230 |
2150 |
730 |
680 |
1165 |
1365 |
48-Ф48 |