G41J襯膠手動隔膜閥
一、G41J襯膠手動隔膜閥 特點
隔膜閥是一種特殊形工的具有截斷功能的閥門,其啟閉件由鋼質瓣與軟質材料(橡膠和氟塑料復合)制的隔膜組成并將閥體內腔與閥蓋內腔隔開以達到截斷管內介質之目的GB 1239, BS 5156標準。
驅動方式:手動、氣動(常開或常閉)、電動。
法蘭連接隔膜閥設計與制造符合中國國家標準
基本結構形式:堰式,直流式
公稱壓力PN0.6~1.0(Mpa)
公稱能徑DN15-400(mm)
手動 |
G41J(堰式) |
手動 |
G641J(往復式) |
G41F5(堰式) |
G641F5(往復式) |
G45J(直流式) |
G6B41F(常閉式) |
G45F5(直流式) |
G6B41F5(常閉式) |
電動 |
G9B41J(防爆式) |
電動 |
G941J(普通型) |
G9B41F5(防爆式) |
G941F5(普通型) |
遵循規范 |
STANDARD |
設計與制造 |
GB12239 |
結構長度 |
GB1221/JB1688 |
法蘭尺寸 |
JB78/JB79(GB HG SH) |
壓力試驗 |
GB/T13927 |
標簽 |
GB12220 |
供貨 |
GB/T12252 |
 |
 |
G41J襯膠手動隔膜閥 |
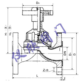
G41J襯膠手動隔膜閥尺寸圖 |
二、G41J襯膠手動隔膜閥 主要零部件材料
序號 |
零件名稱 |
灰鑄鐵 |
鑄鋼 |
不銹鋼 |
超低碳鋼 |
Z |
C |
P |
R |
PL |
RL |
1 |
閥體、閥蓋、閥瓣 |
HT250 |
WCB |
CF8 |
CF8M |
CF3 |
CF3M |
2 |
閥桿 |
35 |
1Cr13 |
1Cr18Ni19Ti |
1Cr18Ni12Mo2Ti |
00Cr18Ni10 |
00Cr17Ni14Mo2 |
3 |
襯里層 |
FEP(F46) PFA PCTFE(F3) |
4 |
隔膜 |
FEP(F46)/CR(氟丁橡膠) PFA(可溶性聚四氟乙烯)/FPDM(乙丙橡膠) |
5 |
閥桿螺母 |
ZCuAL10Fe3 ZCuAL10Fe3 |
6 |
螺栓 |
35 |
35 |
1Cr17Ni2 |
1Cr17Ni2 |
1Cr17Ni9Ti |
1Cr17Ni9Ti |
7 |
螺母 |
45 |
45 |
0Cr18Ni9 |
0Cr18Ni9 |
0Cr18Ni9 |
0Cr18Ni9 |
8 |
手輪 |
HT200 |
HT200 |
WCC |
WCC |
WCC |
WCC |
三、G41J襯膠手動隔膜閥 形連接尺寸及重量
型號 |
公稱通徑DN(mm) |
尺寸(㎜) |
L |
D |
D1 |
D0 |
Z-φd |
H |
H1 |
H2 |
H3 |
重量
(㎏) |
G41WJFS-6\\10 |
15 |
125 |
95 |
65 |
120 |
4-φ14 |
- |
- |
- |
- |
3.8 |
20 |
135 |
105 |
75 |
120 |
4-φ14 |
- |
- |
- |
- |
4.2 |
25 |
145 |
115 |
85 |
120 |
4-φ14 |
121 |
135 |
- |
- |
4.5 |
32 |
160 |
1135 |
100 |
120 |
4-φ18 |
132 |
150 |
- |
- |
7 |
40 |
180 |
145 |
110 |
140 |
4-φ18 |
156 |
176 |
- |
- |
9 |
50 |
210 |
160 |
125 |
140 |
4-φ18 |
169 |
195 |
- |
- |
12 |
65 |
250 |
180 |
145 |
200 |
4-φ18 |
202 |
236 |
- |
- |
18 |
80 |
300 |
195 |
160 |
200 |
4-φ18 |
216 |
256 |
- |
- |
24.5 |
100 |
350 |
215 |
180 |
280 |
8-φ18 |
270 |
322 |
- |
- |
38.5 |
125 |
400 |
245 |
210 |
320 |
8-φ18 |
338 |
406 |
- |
- |
60 |
150 |
460 |
280 |
240 |
320 |
8-φ23 |
384 |
464 |
- |
- |
82 |
G41WJFS-4 |
200 |
570 |
335 |
295 |
400 |
8-φ23 |
518 |
638 |
- |
- |
149 |
250 |
680 |
390 |
350 |
500 |
12-φ23 |
598 |
734 |
- |
- |
240 |
300 |
790 |
440 |
400 |
560 |
12-φ23 |
698 |
778 |
- |
- |
350 |
350 |
900 |
500 |
460 |
560 |
16-φ23 |
723 |
883 |
- |
- |
392 |
400 |
1000 |
565 |
515 |
640 |
16-φ25 |
868 |
1078 |
- |
- |
585 |
G45WJFS-6 |
32 |
180 |
135 |
100 |
120 |
4-φ18 |
- |
- |
- |
- |
7 |
40 |
180 |
145 |
110 |
140 |
4-φ18 |
- |
- |
203 |
216 |
8.5 |
50 |
210 |
160 |
125 |
140 |
4-φ18 |
- |
- |
213 |
229 |
14 |
65 |
250 |
180 |
145 |
200 |
4-φ18 |
- |
- |
248 |
268 |
18 |
80 |
300 |
195 |
160 |
200 |
4-φ18 |
- |
- |
281 |
305 |
30 |
100 |
350 |
215 |
180 |
280 |
8-φ18 |
- |
- |
332 |
362 |
43 |
125 |
400 |
245 |
210 |
320 |
8-φ18 |
- |
- |
- |
- |
67 |
150 |
460 |
280 |
240 |
320 |
8-φ23 |
- |
- |
450 |
496 |
80 |
200 |
570 |
335 |
295 |
400 |
8-φ23 |
- |
- |
594 |
654 |
150.2 |
250 |
680 |
390 |
350 |
500 |
12-φ23 |
- |
- |
695 |
771 |
238 |